
به نام خدا
پروژه ی راه اندازی سنسور فشار سنج BMP180 با آردوینو به همراه کد برنامه

در این پروژه قصد داریم تا با استفاده از آردوینو و سنسور BMP180 یک فشار سنج بسازیم. این پروژه طرز کار ساده ی یک سنسور اندازه گیری فشار را نشان می دهد که در جاهای مختلفی که نیاز به سنجش فشار می باشد می تواند بسیار مفید باشد. در این سیستم دما به همراه فشار محاسبه شده توسط ال سی دی نمایش داده می شود. برای راه اندازی سنسور BMP180 با آردوینو به کتابخانه ی ان نیاز داریم. این کتابخانه را از لینک زیر دانلود کنید.
https://github.com/adafruit/Adafruit-BMP085-Library
قطعات مورد نیاز پروژه ی راه اندازی سنسور فشار سنج BMP180 با آردوینو :
آردوینو یونو
سیم برد بردی
مقاومت ۲۰۰ اهمی
سنسور فشار BMP180
ال سی دی ۲ در ۱۶
برد برد
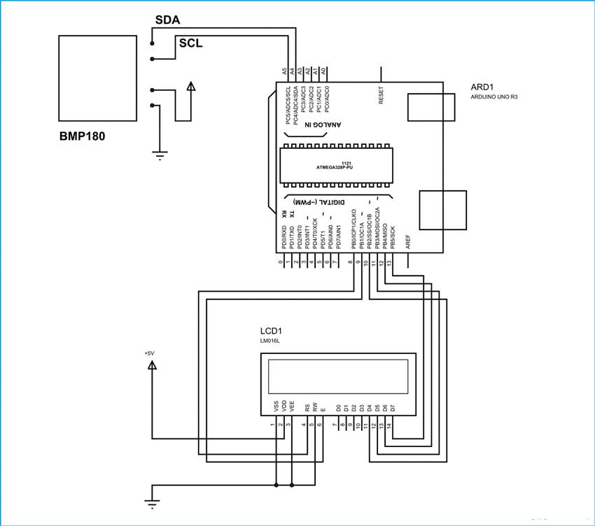
شماتیک مدار پروژه ی راه اندازی سنسور فشار سنج BMP180 با آردوینو :
در شکل زیر اتصالات مدار به طور کامل قابل مشاهده است. برای اتصالات ال سی دی پین مربوط به روشنایی به زمین وصل شده است تا به این ترتیب کنتراست ال سی دی در حداکثر خود باشد. همچنین ال سی دی در مود ۴ بیتی به آردوینو متصل شده است. این حالت از اتصال به کاربر اجازه می دهد تا از پین کمتری از آردوینو استفاده کند.

دانلود کد برنامه پروژه ی راه اندازی سنسور فشار سنج BMP180 با آردوینو :
دانلود فایل#include <Adafruit_BMP085.h>
#include <Wire.h>
#include <LiquidCrystal.h>
// initialize the library with the numbers of the interface pins
LiquidCrystal lcd(8, 9, 10, 11, 12, 13);//RS,EN,D4,D5,D6,D7
char PRESSURESHOW[4];// initializing a character of size 4 for showing the result
char TEMPARATURESHOW[4];// initializing a character of size 4 for showing the temparature result
Adafruit_BMP085 bmp;
void setup() {
lcd.begin(16, 2);
// Print a logo message to the LCD.
lcd.print(" CIRCUITDIGEST");
lcd.setCursor(0, 1);
delay (2500);
delay (2500);
lcd.clear();//clear display
// Print another message to the LCd
Serial.begin(9600);
if (!bmp.begin())
{
Serial.println("ERROR");///if there is an error in communication
while (1) {}
}
}
void loop()
{
lcd.print("Pressure= "); // print name
String PRESSUREVALUE = String(bmp.readPressure());
// convert the reading to a char array
PRESSUREVALUE.toCharArray(PRESSURESHOW, 4);
lcd.print(PRESSURESHOW);
lcd.print("hPa ");
lcd.setCursor(0, 1);
//// set the cursor to column 0, line 1
lcd.print("Tempar.=");// print name
String TEMPARATUREVALUE = String(bmp.readTemperature());
// convert the reading to a char array
TEMPARATUREVALUE.toCharArray(TEMPARATURESHOW, 4);
lcd.print(TEMPARATURESHOW);
lcd.print("C ");
lcd.setCursor(0, 0);/ set the cursor to column 0, line1
delay(1000);
}
دیدگاهها (0)