رباتیک و هوافضا

پروژه ی ساخت لامپ اضطراری با استفاده از رزبری پای

 

به نام خدا

پروژه ی ساخت لامپ اضطراری با استفاده از رزبری پای

 

در این بخش سعی داریم با استفاده از رزبری پای و پایتون ، لامپ اضطراری ۹ وات بسازیم.این لامپ ، تاریکی و عدم وجود تغذیه AC را تشخیص داده و بصورت اتوماتیک روشن می گردد.در اینجا با افزودن LDR برای تشخیص تاریکی در سطوح مختلف استفاده کرده ایم.در اینجا ۲ سطح در نظر گرفته شده است ، هنگام تاریکی مطلق لامپ با بیشترین شدت و توان روشنایی می دهد ، در نیمه تاریکی لامپ از ۳۰% توان خود استفاده می کند.بنابراین قصد طراحی لامپی را داریم که هنگام قطع برق AC و یا روشنایی کم محیط بصورت اتوماتیک روشن میگردد را داریم.

قطعات موردنیاز:

در اینجا از رزبری پای ۲ مدل B به همراه سیستم عامل رزبین جسی استفاده شده است.
خازن ۱۰۰۰ میکروفاراد
۹ عدد ال ای دی ۱ وات
باتری ۱۲ ولتی
پاور بانک ۶ تا ۱۰ آمپر ساعت
اداپتور ۵ ولت DC
چیپ اپ امپ LM324
القاگر نوری ۴N25
ماسفت IRFZ44N
وLDR ( مقاومت وابسته به نور )
۱ عدد LED
مقاومت های : ۳ عدد ۱k
۲٫۲k
۴٫۷k
۲ عدد ۱۰۰
۹ عدد ۱۰
۱۰k
۱۰۰k
۳ عدد پتانسیومتر ۱۰k
(تمامی مقاومت ها ۰٫۲۵ وات هستند.)

 

تشریح قطعات :

لامپ ال ای دی ۹ وات :

متشکل است از ۹ ال ای دی ۱ وات ، در ۳٫۶ ولت عمل می کنند فلذا ۳ تا ۳ تا با یکدیگر سری می کنیم تا با محافظت توسط دیود در ۱۲ ولت کار کنند.

بیشتر بخوانید...  آموزش کنترل رله با آردوینو

و LDR : برای تشخیص میزان روشنایی استفاده می شود.مقاومت LDR بصورت خطی با تغییر روشنایی تغییر می کند.LDR به یک مقسم ولتاژ متصل است ، اگر روشنایی کم باشد ، ولتاژ خروجی زیاد و اگر روشنایی زیاد باشد ولتاژ خروجی کم خواهد بود.

ای سی اپ امپ LM324 :برای اتصال مقایسه گرها به رسپبری پای جهت چک کردن ولتاژ خروجی LDR استفاده می شود.

رسپبری پای شامل ۲۶ پین GPIO می باشد.فارغ از پین هایی که عملیات خاصی انجام می دهند ، ۱۷ پین در اختیار داریم.پین ها قادر به تحمل ولتاژ بیش از ۳٫۳ ولت نمی باشند ، پس خروجی اپ امپ نباید بیش از ۳٫۳ ولت باشد.

اداپتور AC به DC برای چک کردن تغذیه AC :

همانطور که گفته شد برای تعیین وضعیت تغذیه AC استفاده می شود.گرچه راه های بسیاری برای بررسی وجود دارد ، این روش ایمن ترین و ساده ترین روش می باشد.از آداپتور ۵ ولت منطقی گرفته و از طریق مقسم ولتآژ به رسپبری پای می دهیم تا ۵ ولت را به ۳٫۳ ولت تبدیل کنیم.

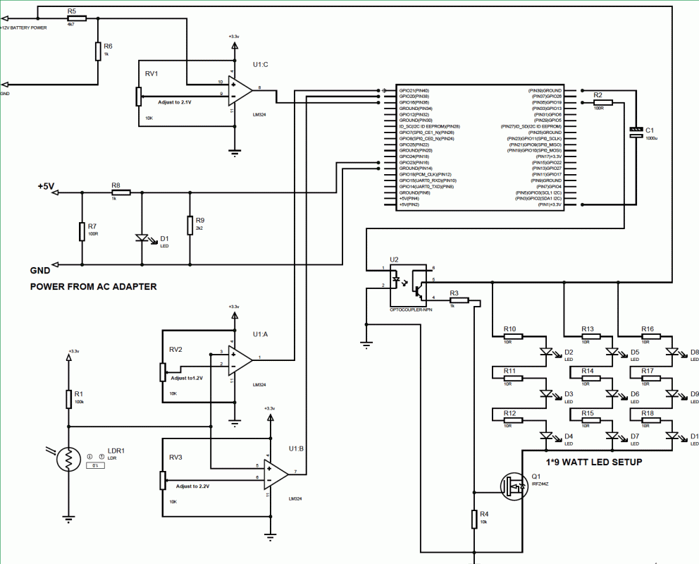
تشریح مدار :

دیاگرام مداری لامپ اضطراری رزبری پای در زیر مشاهده می شود:

بیشتر بخوانید...  راه اندازی ماژول RFID با آردوینو

 

 

در اینجا از ۳ مقایسه گر داخل ای سی LM324 استفاده شده است.۲ تا از آنها برای تشخیص سطح روشنایی و دیگری برای تشخیص سطح پایین باتری ۱۲ ولتی استفاده می شود.

 

دانلود کد برنامه :

دانلود فایل
import RPi.GPIO as IO   #calling for header file which helps in using GPIOs of PI
import time
IO.setwarnings(False)      #do not show any warnings
IO.setmode (IO.BCM)     #programming the GPIO by BCM pin numbers
IO.setup(19,IO.OUT)     #initialize GPIO19 as an output
IO.setup(21,IO.IN)         #initialize GPIO21,20,16,12,23 as inputs
IO.setup(20,IO.IN)
IO.setup(16,IO.IN)
IO.setup(12,IO.IN)
IO.setup(23,IO.IN)
p = IO.PWM(19,200)     #GPIO19 is set as PWM output with frequency at 200Hz
p.start(1)             #start PWM output with 1% duty cycle
while 1:
    if(IO.input(23) == False):     #If AC power is OFF
        if(IO.input(16) == True):  #If battery voltage >+12V
            if (IO.input(20) == True):      #If its complete dark
                time.sleep(0.01)
                if (IO.input(20) == True):     #If its complete dark
                    p.ChangeDutyCycle(99)   #change PWM duty cycle to 99%
            elif (IO.input(21) == True):      #else If its semi dark 
                time.sleep(0.01)
                if (IO.input(21) == True):     #else If its semi dark
                    p.ChangeDutyCycle(30)   #change PWM duty cycle to 30%
            elif (IO.input(21) == False):     #if its not even semi dark
                time.sleep(0.01)
                if (IO.input(21) == False):
                    p.ChangeDutyCycle(0)    #turn OFF the LAMP
            time.sleep(0.1)
    if(IO.input(23) == True):     #If AC power is ON
        p.ChangeDutyCycle(0)    #turn OFF the LAMP
    if(IO.input(16) == False):    #If battery voltage <+12V
        p.ChangeDutyCycle(0)    #turn OFF the LAMP

 

دیدگاه‌ها (0)

*
*