
به نام خدا
اندازه گیری قدرت میدان مغناطیسی با سنسور اثر هال

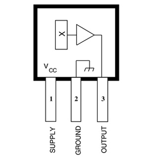
در این پروژه می خواهیم با استفاده از مبدل آنالوگ به دیجیتال ( ADC ) ، قدرت میدان مغناطیسی را توسط سنسور اثر هال و برد آردوینو اندازه گیری کنیم . سنسور اثر هال که ما از آن استفاده کرده ایم سنسور UGN3503U می باشد . این سنسور قدرت میدان مغناطیسی را حس می کند و با توجه به قدرت میدان ، ولتاژ خروجی متناسب با آن را تولید می کند . این سنسور شدت میدان را در واحد GAUSS به ما می دهد . ترتیب پایه های سنسور اثر هال UGN3503 به صورت زیر است :

ولتاژ متغیری که در خروجی این سنسور اثر هال ( متناسب با شدت میدان مغناطیسی ) تولید می شود را ما دریافت می کنیم و توسط واحد ADC آردوینو این ولتاژ آنالوگ را به دیجیتال تبدیل می کنیم و در نهایت میدان اندازه گیری شده را بر روی ال سی دی کاراکتری نمایش می دهیم .
برد آردوینو UNO دارای ۶ کانال ADC است و رزولوشن آن ۱۰ بیتی می باشد . این به این معنی است که ولتاژ ۰ تا ۵ ولت آنالوگ به عددی بین ۰ تا ۱۰۲۳ تبدیل می شود که این یعنی هر ۴٫۹ میلی ولت ( ۵/۱۰۲۳ ) یک واحد به عدد ADC که بین ۰ تا ۱۰۲۳ تغییر می کند اضافه می شود . ۰ معادل ۰ ولت و ۱۰۲۳ معادل ۵ ولت است .
کانال های ADC آردوینو به صورت پیش فرض دارای ولتاژ مرجع ۵ ولت می باشند ولی ما می توانیم این ولتاژ مرجع را تغییر دهیم . مثلا اگر ولتاژ خروجی سنسور ما بین ۰ تا ۲٫۷ ولت باشد می توانیم ولتاژ مرجع خود را متناسب با سنسور تغییر دهیم و آن را به ۲٫۷ ولت تغییر دهیم .
رزولوشن واحد ADC به صورت پیش فرض ۱۰ بیت است ولی می توانیم این رزولوشن را تغییر دهیم . این تغییر رزولوشن در مواردی مفید است .
قطعات مورد نیاز پروزه به شرح زیر است :
– برد آردوینو UNO ( البته هر برد آردوینو دیگری هم می تواند باشد )
– منبع تغذیه ۵ ولت
– ال سی دی کاراکتری ۱۶*۲
– خازن ۱۰۰ میکرو فاراد ( دو عدد )
– سنسور اثر هال UGN3503U
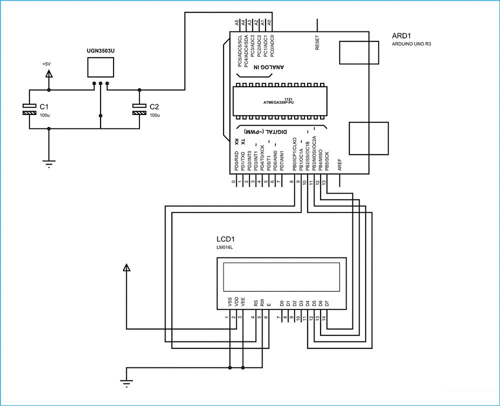
شماتیک مدار به صورت زیر است :

ال سی دی کاراکتری ۱۶ پایه دارد که دو تا از پایه های آن برای نور پس زمینه است . بعضی از ال سی دی های کاراکتری این دو پایه را برای نور پس زمینه ندارند و ۱۴ پایه دارند . ۸ پایه برای تبادل داده است ( D0 تا D7 ) . پایه ۱ و ۲ برای تغذیه مثبت و منفی ال سی دی است . پایه ۳ برای تنظیم نور پس زمینه . پایه ۶ ( E ) برای فعال سازی پین ها است و پایه های ۵ و ۶ برای کنترل پین ها . به هنگام نوشتن روی ال سی دی پایه ۵ را به زمین وصل می کنیم . برای ارسال و نمایش داده ها روی ال سی دی کافی است ۴ پایه از ۸ پایه ای که مربوط به تبادل داده می شود ( D4 تا D7 ) را به آردوینو وصل کنیم . پایه های ۴ و ۶ را هم باید به آردوینو وصل کنیم .
توسط دستور های زیر می توانیم داده ها را دریافت کنیم ، ولتاژ مرجع ADC را تغییر دهیم و رزولوشن ADC را عوض کنیم .
analogRead(pin)
()analogReference
analogReadResolution(bits)
توسط یک آهنربا و دور نزدیک کردن آن نسبت به سنسور می توانید تغییرات میدان را بر روی ال سی دی تماشا کنید .
کد های برنامه را از لینک زیر دانلود کنید و بر روی برد آردوینو خود آپلود کنید .
دانلود فایل
فیلم زیر عملکرد این پروژه را نشان می دهد .
دیدگاهها (0)